Distribuzione a bassa tensione elettrica a bassa tensione cabinetto reattivo GGJ Serie GGJ interno, sistema di distribuzione di potenza a quattro fili trifase da 50/60Hz. Esegue una compensazione reattiva di potenza attraverso la connessione automatica e la separazione delle banche dei condensatori ed è ampiamente utilizzato in sottostazioni, fabbriche, imprese industriali e minerarie, grandi centrali elettriche, piante petrolifere, impianti chimici, grandi impianti di produzione in acciaio, centri di potenza di costruzione residenziale, compensazione della potenza reattiva e altre occasioni.
Assunzione di compensazione reattiva di distribuzione di potenza a bassa tensione Serie GGJ Indoor, inglese GGJ è la programmazione del modello, il codice modello indicato in ordine, GGJ è un gabinetto per la compensazione dei condensatori. La compensazione automatica di potenza reattiva di tipo GGJ è generalmente adatta alle imprese industriali e minerarie e al sistema di distribuzione della capacità del trasformatore 380 V trifase, 100kVA-1000KVA, come compensazione della potenza reattiva. GGJ deve essere utilizzato in combinazione con il pannello di distribuzione a bassa tensione di tipo GGD.
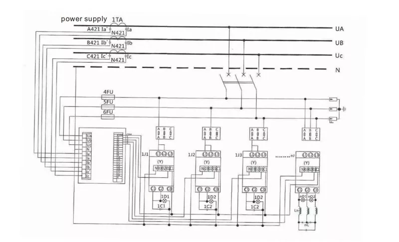
Distribuzione a bassa tensione Distribuzione reattiva del gabinetto Indoor GGJ La serie può controllare automaticamente i condensatori raggruppati da inserire o tagliare dalla griglia in 4-12 gruppi (fasi) entro 10-120 secondi in base alla domanda della griglia per la compensazione della potenza reattiva e realizzando così automatica la compensazione del potere reattivo, stabilizzando la qualità della volta dell'alimentazione, riducendo la perdita del sistema di trasporto e trasformi e trasformi automatici e trasformi automatici reattive. raggiungere lo scopo del risparmio energetico e del miglioramento della qualità dell'alimentazione della rete.
Distribuzione a bassa tensione Distribuzione reattiva Armadio GGJ Serie GGJ IMBACETTO DI COMPENAZIONE REATTIVA REATTIVA CAMPIO IN INDUSTRIALE E AGRICOLARE LA PRODUZIONE INDUSTRIALE E AGRICOLARE IL NUMERO DI DEI DEI DEI DEI DEI DEI DEI DEI DEI DEI DEI DEI DEI DEI DEI DEI DEI Pertanto, è nato il corrispondente dispositivo di compensazione reattiva. Il cabinet di compensazione reattiva a bassa tensione GGJ è prodotto appositamente per una compensazione reattiva a bassa tensione.
| Articolo | Unità | Valore |
| Tensione nominale | V | 220/400/690 |
| Frequenza nominale | Hz | 50/60 |
| Intervallo di tensione applicabile | 0,85-1,1 volte la tensione nominale | |
| Corrente consentita massima |
|
1,3 volte la corrente nominale |
| Quantità di controllo del ciclo |
|
1-16 loop |
| Modalità di lavoro |
|
lavoro automatico e continuo |
| Filtro armonico attivo |
|
SÌ |
Distribuzione a bassa tensione Distribuzione reattiva Armadio Serie GGJ GGJ Condizioni ambientali
Temperatura ambiente: -40 ℃ ~+50 ℃;
Umidità relativa: non più del 95%;
Altitudine: non più di 2000 m;
Tensione operativa massima: non più del 110% della tensione nominale (ad eccezione del processo di transizione);
Corrente operativa massima: non più di 1,3 volte la corrente nominale (ad eccezione del processo di transizione);
1. Il telaio dell'armadio è realizzato in acciaio a ventura fredda da 8 mf e parzialmente saldato. Le parti del telaio e le parti di supporto speciali sono tutte prodotte e fornite dalla nostra azienda per garantire l'accuratezza, la qualità e i tempi di consegna del gabinetto. Le parti del cabinet universale sono progettate secondo il principio modulare e ci sono 20 fori di installazione del modulo con un coefficiente universale elevato. La fabbrica può realizzare la pre-produzione. Non solo accorcia il ciclo di produzione e produzione, ma migliora anche l'efficienza del lavoro.
2. Distribuzione a bassa tensione Distribuzione reattiva Armadio GGJ Serie GGJ considera completamente il problema della dissipazione del calore durante il funzionamento del mobile. Esistono diversi numeri di slot di dissipazione del calore nelle estremità superiori e inferiori dell'armadio. Quando i componenti elettrici nell'armadio vengono riscaldati, il calore aumenta e viene scaricato attraverso le fessure superiori, mentre l'aria fredda viene continuamente rifornita nell'armadio dagli slot inferiori, in modo che l'armadio sigillato costituisca un condotto di ventilazione naturale dal basso verso l'alto per raggiungere lo scopo della dissipazione del calore.
3. In conformità con i requisiti della moderna progettazione del prodotto industriale, la distribuzione reattiva della reattiva di distribuzione di potenza a bassa tensione Serie GGJ indoor adotta il metodo del rapporto d'oro per progettare la forma del gabinetto e la dimensione della divisione di ciascuna parte, rendendo l'intero gabinetto bello e generoso.
4. La porta dell'armadio è collegata al telaio con una cerniera dell'albero rotante, che è facile da installare e smontare. Una striscia di plastica in gomma a forma di montagna è incorporata nel bordo pieghevole della porta. Quando si chiude la porta, la striscia tra la porta e il telaio ha una certa corsa di compressione, che può impedire alla porta di scontrarsi direttamente con il corpo dell'armadio e migliorare il livello di protezione della porta.
5. La porta dello strumento dotata di componenti elettrici è collegata al telaio con più fili di filo di rame morbido. Le parti di montaggio nell'armadio sono collegate al telaio con rondelle inntrate e l'intero armadio costituisce un sistema completo di protezione a terra.
6. La superficie dell'armadio viene trattata con polvere di spruzzo elettrostatico ad alta tensione. Ha una forte adesione e una buona consistenza. L'intero armadio è opaco, che evita gli effetti di bagliore e crea un ambiente visivo migliore e più comodo per il personale a servizio.
7. Il coperchio superiore del mobile può essere rimosso quando necessario per facilitare l'assemblaggio e la regolazione della barra di autobus principale in loco. I quattro angoli della parte superiore dell'armadio sono dotati di anelli di sollevamento per il sollevamento e la spedizione.
8. Il livello di protezione del gabinetto è IP30 e gli utenti possono anche scegliere tra IP20 ~ IP40 in base ai requisiti dell'ambiente di utilizzo.

A1: La tua azienda può personalizzare i prodotti in base alle mie esigenze?
Q1: Sì, possiamo personalizzare i prodotti in base alle esigenze dei clienti. In generale, i clienti devono solo fornire: layout del circuito, tensione, corrente, ecc.
A2: Awhat è il tuo tempo di consegna più veloce?
D2: Normalmente, accettiamo richieste dei clienti. Dopo che i parametri tecnici del gabinetto Switch sono collegati, ci vogliono 1-2 giorni per emettere un listino prezzi e comunicare con i clienti in merito al tempo di produzione e consegna in base alla situazione reale.
A3: Com'è il tuo servizio post-vendita?
Q3: supportiamo una garanzia di 1 anno. La quotazione normale non include il servizio post-vendita in loco. Sono disponibili comunicazioni e orientamenti online gratuiti.
KYN61 33KV MV HV Switchgear elettrico ad alta tensione media
KYN28 Switchgear INDIUMO IN INDIUMENTO 11KV
Interruttore ad alta frequenza CC Armadio di alimentazione GZDW
Cabinetto di distribuzione a potenza chiusa interna XL-21
Mobile a interruttore di media tensione
MSN Tipo di tensione a bassa tensione TIPO DI TIPO MABIETY